
產品類別:三次元振動篩
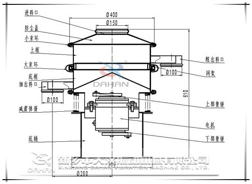
產品簡介:小型振動篩為直徑400mm的單層兩個出料口振動篩,網架采用子母網分離結構,整機為碳鋼材質。體積小,移動方便,價格便宜,適合小產量要求的客戶使用。
全國統(tǒng)一銷售熱線
免費獲取報價
小型振動篩為直徑400mm的單層兩個出料口振動篩,網架采用子母網分離結構,整機為碳鋼材質。體積小,移動方便,價格便宜,適合小產量要求的客戶使用。
振動篩廠家大漢機械可根據客戶需求設計特殊型號,無論物料是干是濕,是精細是粗糙,是比重大是比重輕,0-400目都可以篩選,不管是液態(tài)的,還是漿狀的0-600目都可以過濾。
大漢振動篩系列產品同時配備專門的篩網清理裝置,把堵網率降到低,過網率和處理精度得以有效提高。大漢機械具備特殊型號制造的能力讓顧客對大漢產品有更多的選擇。
『組織機構』 - 『企業(yè)文化』 - 『資質榮譽』 - 『聯系我們』 - 『企業(yè)博客』
豫公網安備 41070302000224號
振動篩廠家 -新鄉(xiāng)振動篩 -直線振動篩 -氣流篩 -標準試驗篩 -超聲波振動篩 -臥式氣流篩 Xmlmap Htmlmap
Copyright ? 2007-2015 新鄉(xiāng)市大漢振動機械有限公司 | All Rights Reserved 備案序號:豫ICP備09002479號-1
企業(yè)法人營業(yè)執(zhí)照(注冊號):914107036780823532
![]()